SHF 12 Mil Ucu Bağlantı Parçası
SHF 12 Mil Ucu Bağlantı Parçası
SHF 12 Mil Ucu Bağlantı Parçası
SHF 12 Mil Ucu Bağlantı Parçası
SHF 12 Mil Ucu Bağlantı Parçası
SHF 12 Mil Ucu Bağlantı Parçası

SHF 12 Mil Ucu Bağlantı Parçası

4.007.05.12.01
$2,94
KDV dahil

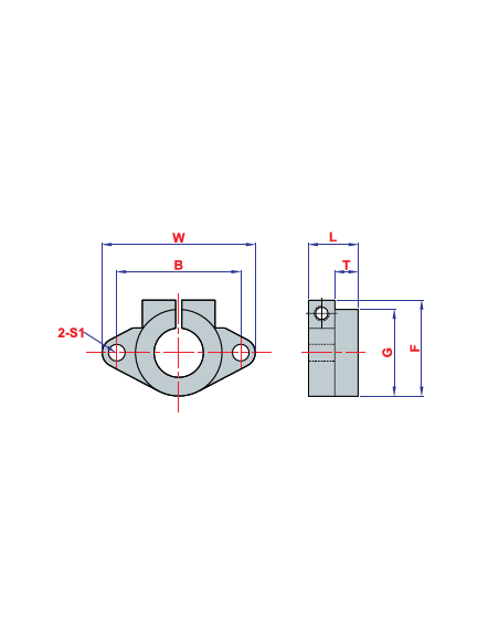
Mil Ucu Bağlantı Parçası SHF 12
12 mm delik çapına sahip bu bağlantı parçası, indüksiyonlu millerin dikey yüzeylere sağlam ve pratik şekilde montajını sağlar. Kompakt ve kullanışlı yapısıyla makina sistemlerinde hassas hizalama ve sabitleme ihtiyaçlarını karşılar.

 

SHF 12 tipi mil ucu bağlantı parçası, 8 mm çapındaki indüksiyonlu millerin sabitlenmesinde kullanılan bir yatak sistemidir. Genellikle CNC makineleri, 3D yazıcılar, otomasyon sistemleri ve lineer hareketli mekanizmalarda tercih edilir.

Parçanın üst kısmında yer alan sıkma vidası sayesinde milin yerinden oynaması engellenir. Dikey yüzeylere monte edilebilen tasarımı sayesinde farklı montaj pozisyonlarında rahatlıkla kullanılabilir. Alüminyum alaşımlı yapısı sayesinde hafif ama dayanıklıdır.


Öne Çıkan Özellikler:

  • 12 mm delik çapı

  • Pratik ve sağlam montaj imkânı

  • Dikey yüzeylere uygun bağlantı tasarımı

  • Milin sabitlenmesini sağlayan sıkma vidası

  • Hafif ve dayanıklı alüminyum gövde


Kullanım Alanları:

  • CNC makineleri

  • 3D yazıcılar

  • Otomasyon sistemleri

  • Lineer hareket sistemleri

  • Endüstriyel üretim hatları


Ek Avantajlar:

  • Mil hizalamasını kolaylaştırarak sistem verimliliğini artırır

  • Kompakt yapısıyla dar alanlara montaj kolaylığı sağlar

  • Uzun ömürlü ve bakım gerektirmeyen kullanım



Malzeme Türü
Mil Sabitlemesı
Mil Çapı
12
Birim Agirlik:
0.20kg
Yorum yok

Aynı kategorideki 7 diğer ürünler:

Ürün istek listesine eklendi
Ürün karşılaştırmaya eklendi.

Bu web sitesi çerezleri kullanıyor

İçeriği ve reklamları kişiselleştirmek, sosyal medya özellikleri sağlamak ve trafiğimizi analiz etmek için çerezleri kullanıyoruz. Ayrıca sitemizi kullanımınıza ilişkin bilgileri, sosyal medya, reklam ve analiz ortaklarımızla, onlara sağladığınız veya hizmetlerini kullanmanız sonucunda topladıkları diğer bilgilerle birleştirebilecek şekilde paylaşıyoruz